Karlheinz Stockhausen: Visionäres zur TMT 1972

Technische Notwendigkeiten, die teilweise heute unsere Standardwerkzeuge sind

Text: Karlheinz Stockhausen (†) Bilder: Autor

Block 1

Beim Sichten alter TMT-Tagungsdokumente im VDT-Archiv ist mir ein Eintrag mit dem Vermerk „Autor: Karlheinz Stockhausen“ ins Auge gefallen. Der Mitbegründer der elektronischen und Neuen Musik war zeitlebens bekannt dafür, drei Schritte in die Zukunft zu denken und Dinge zwei Schritte voraus auch umzusetzen. Der folgende Text ist nicht nur ein Beispiel für die Pionierleistung eines der wichtigsten Wegbereiter der Musik im letzten Jahrhundert, sondern führt uns vor Augen, wie wichtig sich technische Entwicklungen und kreativer Prozess gegenseitig fordern und fördern.

Block 2

Karlheinz Stockhausen stellt visionäre und an mancher Stelle recht gewagte, an anderer retrospektiv sehr treffende und weitsichtige Überlegungen zu Musikkonsum und -technik an.

– Die Beschreibung einer gewünschten „Beschleunigungsapparatur“ liest sich wie das, womit heute wie selbstverständlich Musik gemacht wird: DAWs mit tonhöhenunabhängiger Veränderung von Rhythmik und Tempo, und (im Umkehrschluss) Tonhöhenbearbeitung ohne Auswirkungen auf zeitliche Verläufe.

– Ein „Instrument für Raumprojektionen mit Steuergerät für Richtung und Ort des Klanges“ greift die wesentliche tontechnische Thematik auf, die heute von Diskussionen bis Entwicklungen vorherrscht: Immersion/3D.

– „[Eine Tastatur] muss auf ein beliebiges anderes Intervall eingestellt werden können.“ – das gab es zwar schon durch die Steuerspannung, doch erst zehn Jahre später wurde MIDI mit seinem glücklicherweise bewusst für moderne und außereuropäische Musik offengelassen Standard der Notennummern statt chromatischer Festlegung verwendet.

Das Schriftstück datiert auf 1972. Ist das fast schon unheimlich? Nein, es ist weniger Prophezeiung denn schlichtweg auf Grundlage großer Erfahrung und Kenntnis weitsichtig gedacht. Und Stockhausens Hypothese zur „Aura“ (in der online nachzulesenden ungekürzten Fassung noch weiter ausgeführt) hat es nicht in gleichem Maße geschafft, die heutigen Diskussionen zu beherrschen.

Hinweis: Die Orthografie und Zeichensetzung wurden originalgetreu beibehalten.

– die Redaktion

Die Zukunft der elektroakustischen Apparaturen in der Musik

Erste Seite des Scans des Originaldokuments
Erste Seite des Scans des Originaldokuments

Man muß bei allem, was man heute tut, immer bedenken, dass es morgen anders sein wird. Bisher wurden Musiker – Oboisten, Pianisten, Cellisten usw. – stets mit einer bestimmten Klangfarbe identifiziert. In den letzten zehn bis zwölf Jahren hat sich eine Wandlung vollzogen. Die Musiker, mit denen ich meistens musiziere, spielen bei der Aufführung die verschiedensten Instrumente und elektronischen Apparaturen: Pianisten spielen Tamtam, Mikrophone (in „Mikrophonie I“), Synthesizer (in Verbindung mit bekannten oder selbstgebauten Instrumenten, mit Singstimmen, mit neuen elektroakustischen Instrumenten), Elektronium, Elektrochord usw.

Die Tendenz geht also dahin, daß ein Musiker vokal oder instrumental durch einen guten Lehrer ausgebildet wird, sich jedoch gleichzeitig mit allen Möglichkeiten der elektroakustischen Klangerzeugung und Klangtransformation vertraut macht. Wir werden zu einem Musikertypus kommen, der sich nicht länger mit einem einzigen Instrument identifiziert, sondern über alle Klangfarben und Klangtransformationen verfügen kann einschließlich der Projektion seiner Klänge an beliebige Stellen eines Auditoriums mit beliebigen Bewegungsrichtungen und Geschwindigkeiten. Dazu benötigen wir neue Apparaturen. Von solchen Apparaturen, die ich in den letzten Jahren entwickelt habe, sind der Klangwandler und der Rotationstisch zur Zeit im Bau. Beide werden im Anhang beschrieben.

Block 4

1955 machte ich die erste mehrkanalige Komposition: „Gesang der Jünglinge“ für fünf Lautsprechergruppen im Kreis. Für Sendungen und die erste Schallplattenaufnahme musste ich eine Monofassung machen. Vor etwa sechs Jahren entstand eine Stereofassung, und jetzt – ca. siebzehn Jahre später – hat man mir vorgeschlagen, demnächst eine vierkanalige Schallplattenfassung des Werkes zu machen.
Fast alle Werke, auch instrumentale und vokale, habe ich aus funktionellen Gründen seit 1955 vierkanalig aufgenommen bzw. im Studio produziert: „Gruppen“, „Carré“, „Kontakte“, „Mikrophonie I“, „Mikrophonie II“, „Hymnen“ usw. Man kann ungefähr voraussehen, daß in etwa zehn Jahren vierkanalig und in etwa dreißig Jahren achtkanalig gesendet und gehört wird, und daß das Fernsehen bis dahin dreidimensional plastisch und auf die Größe des Augen-Blickfelds vergrößert wird. Musikhören wird also dann so möglich sein, dass man – wie im Freien, in der Natur – eine akustische Landschaft rundherum und überall über sich hat (auch unter sich, wenn man den Sitz im Musikzimmer auf einer erhöhten Plattform in der Mitte einnimmt), so lange man acht Lautsprecher in einer Kubusanordnung um sich herum gruppiert. Man kann auch absehen, daß Übertragungen stattfinden, bei denen alle akustischen und optischen Informationen gleich gut übertragen werden und bei denen es keine Lautsprecher mehr gibt.
Ich stelle die Hypothese auf, daß selbst bei einer vollkommenen Übertragung der akustischen und optischen Wellen einer Aufführung bestimmte für die künstlerische Kommunikation wesentliche Schwingungen nicht berücksichtigt werden. Wichtige Bedingungen für die spezifisch „erregende“, „ergreifende“, „bewegende“, „inspirierende“ Atmosphäre, die durch die Gegenwart und nur durch die Gegenwart eines intuitiv musizierenden Künstlers erzeugt wird, sind Schwingungen, die zwar beim Musizieren entstehen, die aber von anderer Natur als akustische und optische Wellen sind. Gemeint ist hier, was man die Aura eines Musikers oder einer Gruppe von Künstlern nennt. Die Wellen, die jede Person ausstrahlt und die wir spüren, wenn eine Person im Raum ist, auch wenn wir akustisch und optisch nichts wahrnehmen können, sind im Zustand äußerster musikalischer Konzentration bei besonders medial begabten Künstlern von unerhörter Energie und Ausstrahlungskraft.

Block 5

Aufführung von Mikrophonie I im Theater in Metz, 1973: Karlheinz Stockhausen gehörte zu den Ersten, welche die bis dahin übliche Trennung von musikalischer Aufführung und technischer Realisation bewusst ignorierten. [Foto: Bernard Perrine, Archiv Stockhausen-Stiftung für Musik, Kürten/www.karlheinzstockhausen.org]
Aufführung von Mikrophonie I im Theater in Metz, 1973: Karlheinz Stockhausen gehörte zu den Ersten, welche die bis dahin übliche Trennung von musikalischer Aufführung und technischer Realisation bewusst ignorierten. [Foto: Bernard Perrine, Archiv Stockhausen-Stiftung für Musik, Kürten/www.karlheinzstockhausen.org]

Man hat diese Schwingungen bisher völlig außer Acht gelassen, obwohl instinktiv jeder irgendwie weiß, daß die Teilnahme an einer Live-Aufführung inspirierter Künstler bisher durch keine Übertragung – ob direkt oder verzögert – zu ersetzen ist. Die Tatsache, daß sich zum Beispiel elektronische Musik, die in Tausenden von Lautsprechervorführungen mit Publikum ausprobiert wurde, von der bandgespeicherten immer mehr zur live-elektronischen Musik entwickelt hat, obwohl diese zunächst wieder technisch primitiver als die im Studio produzierte elektronische Musik ist, sollte sehr zu denken geben. Das beruht nicht nur darauf, daß man bei Live-Aufführungen die Musiker sieht und bei Tonbandvorführungen nicht. Es handelt sich vielmehr darum, daß die gesamte musikalische Übertragungstechnik bisher wesentliche Schwingungen außer Acht gelassen hat, die für Musik maßgeblich sind.

Block 6

Ich möchte hier Forderungen aufstellen, die für eine Übertragung von Musik notwendig wären:

  1. Erforschung derjenigen musikalischen Wellen, die bisher unberücksichtigt blieben, mit dem Ziel, vollkommene Übertragung aller Schwingungen zu erreichen, die beim Spielen von Musik von Musikern ausgehen.

  2. Reduzierung aller zeitverschobenen Musikwiedergabe auf ein Mindestmaß. Das Bewußtsein, eine Direktübertragung zu hören, verändert das Hören völlig im Vergleich mit dem Bewußtsein, eine Tonbandwiedergabe zu hören. Also möglichst Live-Übertragungen.

Block 7

Karlheinz Stockhausen 1959 mit seinem selbst gebauten Rotationstisch, auf dem die Rotationsmühle beruht, welche im Text vorgestellt wird. [Foto: Stockhausen-Stiftung für Musik, Kürten / www.karlheinzstockhausen.org]
Karlheinz Stockhausen 1959 mit seinem selbst gebauten Rotationstisch, auf dem die Rotationsmühle beruht, welche im Text vorgestellt wird. [Foto: Stockhausen-Stiftung für Musik, Kürten / www.karlheinzstockhausen.org]

Nur dann sollten – in Studiotechnik hergestellte oder manipulierte – Klangmontagen wiedergegeben werden, wenn sie ganz wesentliche Erlebnisse vermitteln, die die körperlich-physischen Möglichkeiten – das heißt alles, was ein Musiker direkt machen könnte – übersteigen. Aber auch solche Ereignisse sollten möglichst mit einer Live-Aufführung verbunden sein. Es gibt einen ganz wesentlichen Wahrheitsgehalt von Musik, der im Hier und Jetzt besteht, sofern Musik geschaffen und nicht mechanisch reproduziert wird: immer dann also, wenn ein Musiker inspiriert musiziert und eine einmalige Qualität einer Aufführung vermittelt; wenn also ein Musiker durch „wiedergegebene“ oder auch im Moment der Aufführung erschaffene Musik Schwingungen erzeugt, die seine psychische „Spannung“, seine „Ergriffenheit“, seine intuitive Konzentration spüren lassen.

Man muss sich darüber klar sein, daß es auch unter den begabtesten Musikern wiederum nur wenige gibt, die oft und anhaltend die Fähigkeit zu vollkommener Inspiriertheit haben, die also von Natur aus begnadete Medien sind (wie zum Beispiel Mozart). Wesentlich ist aber, daß man im Erlebnis von Musik die Begegnung mit solchen starken „Antennen“ und „Sendern“ der menschlichen Gesellschaft als das entscheidende Ereignis erkennt, das über alle „Unterhaltung“, über allen virtuosen Zirkus, über alle intellektuelle Spielerei weit hinausgeht und die Künstler nicht nur als „frühes Warnsystem“ für das, was bereits da ist – aber von den meisten noch nicht erkannt wird –, sondern auch als Seismographen für Zukunft und Transzendentales benutzt.

Außerordentliche Musiker sind zum Beispiel zu einem bestimmten Zeitpunkt in der Lage gewesen, kommendes Unheil oder erschütternde Ereignisse wie einen Tod oder ein glückliches Ereignis in der Interpretation eines Werkes, das die anwesenden Hörer schon vorher gehört hatten, deutlich anzukündigen.

Was brauchen wir?

1. Einheitliche Steuerung der Raumprojektion mit zunächst acht Lautsprechern: Rotation plus kontinuierliche Veränderung der Rotationsebenen. Dazu jederzeit anwählbar bestimmte vorgeplante Bewegungsmuster, deren Geschwindigkeit kontinuierlich regulierbar ist: Kreis-Rotation, Schleifen, Spiralen, Entfernungen in bestimmte Richtungen und Annäherungen; alternierende Bewegung; geometrische Raufaufteilungen (dreieckige, vier-, fünf-, sechs- usw. eckige Konstellationen).

2. Beschleunigungsapparatur, die es erlaubt, irgendeine gespielte Klangfolge über Mikrophon oder rein elektrisch zu speichern, periodisch zu wiederholen („Sequenzer“) und als solche bis zu 100.000-fach zu beschleunigen: daß also zum Beispiel eine Sequenz, die 100 Sekunden lang ist, periodisch wiederholt und 100.000-fach beschleunigt einen 1000-Hz-Ton ergibt. Entsprechend gilt das Umgekehrte: daß man einen beliebigen Klang, den man spielt, bis zu 100.000-mal langsamer spielen – spreizen – kann. Es versteht sich, daß dabei keinerlei Frequenztranspositionen stattfinden sollen und daß die Beschleunigung bzw. Verlangsamung kontinuierlich regulierbar sein muss.

3. Kontinuierlich regulierbare optische Metronome für jeden Spieler einer Gruppe zur gegenseitigen Synchronisation.

4. Zweimann-Instrumente, die auf die natürlichen Körpermaße von Spielern abgestimmt sind in der Verteilung von verschiedenen Funktionen auf Hände und Füße:

Spieler I

a) Acht-Oktaven-Tastatur für polyphones Tonhöhenspiel. Die „Oktave“ (= zwölf Tasten) muss auf ein beliebiges anderes Intervall eingestellt werden können. Über der Tastatur Schalttafel für Generatoren und mehrere Eingangsquellen, für Filter, Modulatoren, Sequenzer.

b) Großes Pedal für Lautstärke mit ca. 60 dB Umfang.

c) Großes Pedal für kontinuierliches Bandfilter über den ganzen Hörbereich, mit zusätzlicher Links-Rechts-Bewegung für die Änderung der Filter-Bandbreite.

Spieler II

a) Instrument für Raumprojektionen mit Steuergerät für Richtung und Ort des Klanges von I. Über dem Steuergerät Schalttafel für die Wahl von vorprogrammierten Bewegungsmustern.

b) Pedal für die Geschwindigkeit des bewegten Klanges.

c) Pedal für dynamische Nachsteuerung der räumlichen Bewegung.

5. Aufführungsbedingungen, bei denen diejenigen Musiker, die die räumliche Bewegung steuern, im akustischen Mittelfeld eines Saales sitzen können; das heißt also, daß in der Mitte jedes Saales Anschlüsse vom Podium und zu den Lautsprechern sowie Netzanschlüsse liegen müssen. Ferner sollten keine Balkone mehr gebaut werden, und Lautsprecher sollten rings um die Hörer in genügender Tiefe (ca. drei bis vier Meter unterhalb der Fläche des Publikums mit seitlichem „Graben“ bzw. überhaupt unter einer schalldurchlässigen Publikumsfläche) und in genügender Höhe – wenigstens fünf Meter oberhalb der Hörer, nach Möglichkeit jedoch in mehreren Ringen – angebracht werden.

Beschreibung der Apparaturen:

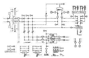
[Originalgrafik, leider keine höhere Auflösung vorhanden]
[Originalgrafik, leider keine höhere Auflösung vorhanden]

Klangwandler (Weiterentwicklung eines „Modul 1969 A“)

Dieses Instrument soll hauptsächlich bei Live-Aufführungen verwendet werden. Seine Maße sind auf die Körpermaße eines Spielers abgestimmt, der das Gerät ca. 50 cm hoch (Oberkante) vor sich zwischen den Knien hat. Dabei soll die Platte des Gerätes leicht zum Spieler geneigt sein. Die Außenmaße der Deckplatte sind 62 x 36 cm.

Die Funktion des Klangwandlers ist folgende: Er hat zwei Eingänge für Mikrophone (umschaltbar für Kondensator- oder dynamische Mikrophone). Diese Eingänge können selbstverständlich auch für andere Informationen verwendet werden (zum Beispiel Magnetophonausgänge, Kurzwellenempfänger usw.). Die beiden Signale können getrennt über zwei Regler geführt oder gemischt werden. Dann kann eines der beiden Signale oder die Mischung beider Signale ringmoduliert werden – eingebauter Ringmodulator mit drei Generatoren:

Ein Generator mit umschaltbaren Wellenformen zur Steuerung des Ringmodulators von 1 bis 20.000 Hertz, ein Generator zur Frequenzmodulation und ein Generator zur Amplitudenmodulation (beide von 0,1 bis 3200 Hertz in vier Schaltstufen). Für die beiden Eingänge des Ringmodulators und für den Ausgang sind Dreh-Potentiometer eingebaut. Die Frequenzen dieser drei Generatoren werden kontinuierlich mit drei Reglern eingestellt, die am Rande eine relative Eichskala haben (siehe die Regler – von links – 4, 5, 6). Ferner sind zwei Hoch- und Tief­-Bandpaßfilter eingebaut, über die die direkten oder bereits modulierten Signale geführt werden können. Die Filter entsprechen in ihren Abmessungen und Bedienelementen denen der übrigen Flachbahneinsteller. Sie sind im Tritonus-Abstand geeicht.

Block 10

Rotationsmühle [Originalgrafik, leider keine höhere Auflösung vorhanden]
Rotationsmühle [Originalgrafik, leider keine höhere Auflösung vorhanden]

In diesen Klangwandler ist ebenfalls eine sogenannte „Rotationsmühle“ eingebaut (Weiterentwicklung eines gleichnamigen Apparats, den ich für die Live-Aufführungen im Kugelauditorium bei der Weltausstellung in Osaka entwarf und der dort ständig benutzt wurde). Sie ist in der unteren Zeile der Abbildung an dem Kreis mit dem Drehhebel erkenntlich, der von Hand bedient wird. Diese „Rotationsmühle“ hat einen Eingang (eines der beiden Signale oder beide Signale gemischt) und acht Ausgänge, die mit Hilfe eines danebenliegenden Steckfeldes von 8 x 8 Steckpunkten auf acht Lautsprecher verbunden werden können. Das Steckfeld wird mit einem Achtfach-Stecker auf einen Achtkanal-Verstärker gesteckt. Jeder Ausgang der „Rotationsmühle“ kann also durch Umstecken während der Aufführung auf jeden von acht Lautsprechern gesteckt werden (bei weniger vorhandenen Lautsprechern steckt man einfach mehrere Ausgänge auf den gleichen Lautsprecher). Rechts neben der „Rotationsmühle“ befinden sich acht Schalter im Abstand der Tasten einer elektrischen Schreibmaschine. Auch diese sind von Hand zu bedienen und mit den acht Ausgängen des Achtfach-Steckers fest verbunden. Man kann also zum Beispiel eine oder mehrere dieser Tasten drücken und gleichzeitig die „Rotationsmühle“ drehen, so daß ein Klang an einer bestimmten Stelle im Raum stehenbleibt und sich gleichzeitig dreht. Die Tasten sind umschaltbar: entweder wird der Klang nur beim Niederdrücken einer Taste gehört oder eine Taste bzw. Tastenkonstellation wird arretiert („haltend“). Im linken Quadrat der unteren Zeile befinden sich zwei Sensoren-Tasten: mit zwei Fingern der linken oder rechten Hand kann man damit eines der beiden Signale oder beide Signale getrennt oder beide Signale gemischt rhythmisieren. Auch die Sensoren-Tasten sind wiederum zweifach schaltbar: entweder „sensoren-positiv“ (der Klang wird bei Berührung der Tasten gehört) oder „sensoren-negativ“ (der Klang wird bei Berührung unterbrochen).

Rotationstisch

Das zweite Instrument, das zunächst für vierkanalige und achtkanalige Studio-Produktion verwendet werden soll, ist eine Weiterentwicklung eines sogenannten „Rotationstisches“, den ich schon 1959 für das Werk „Kontakte“ bauen ließ. Es handelt sich um einen Tisch, dessen runde Platte auf einem Kugellager läuft. Die Platte wird von Hand gedreht. Auf der Tischplatte ist ein Lautsprecher montiert. Vor der Membrane des Lautsprechers ist eine Metallstürze zur Verstärkung der Richtwirkung des Klanges angebracht. Auf diesen Lautsprecher wird irgendein Signal übertragen (ursprünglich durch ein von oben kommendes Kabel). Um den Tisch herum sind zum Beispiel vier Mikrophone aufgebaut, die auf die vier Spuren eines Magnetophons aufgenommen werden. Der Tisch ist in beide Richtungen kontinuierlich drehbar vom Stillstand bis zu ca. sechs Umdrehungen pro Sekunde. Es stellte sich bei Experimenten mit dem Rotationstisch schon früh heraus, daß besonders interessante Phänomene auftreten bei einer Beschleunigung, die bis zu ca. dreißig Umdrehungen oder noch mehr pro Sekunde reicht. Das war mit dem bisherigen Tisch nur so möglich, daß man verhältnismäßig tiefe Klangereignisse bis zu sechs Umdrehungen pro Sekunde mit Handbetrieb rotieren ließ und dann die Aufnahme durch ein Vierspurmagnetophon mit kontinuierlich veränderlicher Bandgeschwindigkeit bis zu zwölf und vierundzwanzig Umdrehungen pro Sekunde beschleunigte und auch dieses Resultat noch einmal durch Zwischenkopie weiterbeschleunigte.

Ein neuer Rotationstisch wurde nun so gebaut, daß er von Hand und auch mit Hilfe eines Motors gedreht werden kann. Der Motor wird durch einen Generator kontinuierlich reguliert. Dabei sollen Geschwindigkeiten bis zu ca. vierzig oder fünfzig Umdrehungen pro Sekunde (!) erreicht werden. Zu diesem Zweck wurde ein sehr schwerer Fuß gebaut, in den auch der Motor eingebaut und mit einem Spezialschaumstoff eingegossen wird. Auf der Drehplatte befinden sich zwei Lautsprecher in entgegengesetzter Richtung. Beide Lautsprecher werden über Schleifringe gespeist, die ebenfalls im Fuß angebracht sind. Zu beachten ist, daß mit Hilfe eines solchen Rotationstisches Phänomene auftreten, die mit rein elektrischer Schaltung nicht zu erreichen und besonders wichtig sind, wie zum Beispiel der Dopplereffekt. Selbst dann, wenn man keine Modulation auf die Lautsprecher gibt, ist bereits der Wind, der durch die Rotation entsteht, amplituden-­ und frequenzmoduliert. Ferner sei darauf hingewiesen, daß man selbst verständlich mit Hilfe eines solchen Rotationstisches nicht nur einfache Rotationen erzielen kann, sondern beliebige Raumkonstellationen wie Schleifen, Spiralen durch die unregelmäßige Reihenfolge der Aufnahmekanäle in Relation zu der Ordnung der Mikrophone (zum Beispiel bei einem Achtkanal­-Magnetophon eine Reihenfolge wie 1 – 2 – 8 – 3 – 7 – 4 – 6 – 5 – 1 ..., vorausgesetzt, daß die acht Kanäle mit acht Lautsprechern verbunden sind, die in einem Kreis rund um die Hörer verteilt sind).

Block 12

Mit freundlicher Genehmigung und Unterstützung des Stockhausen-Verlags und der Stockhausen-Stiftung:

Stockhausen-Verlag

Stockhausen-Stiftung

Block 13

[Foto: Werner Scholz aus dem Archiv Stockhausen-Stiftung für Musik, Kürten]
[Foto: Werner Scholz aus dem Archiv Stockhausen-Stiftung für Musik, Kürten]

Karlheinz Stockhausen (†) zählt zu den einflussreichsten Komponisten des 20. Jahrhunderts und gilt als Wegbereiter der elektronischen Musik. Seine Experimente mit Raumklang und Elektronik, vor allem am Studio für Elektronische Musik des WDR in Köln, haben vielen musikalischen und technischen Entwicklungen vorgegriffen.